Fuzhou Aladdin Ronghai Technology

Accumulator Accessories

Fixed Bracket for NX-Type Accumulator

This bracket is a durable mounting component designed to securely fasten NX series bladder accumulators to hydraulic system frames. By firmly enclosing the accumulator body, it reduces vibration, oscillation, and loads on connection points, preventing any displacement during operation.

 

With its steel support structure and rubber cushioning surface, it ensures a strong grip while allowing installation without damaging the accumulator body. It is manufactured in various sizes to fit different body diameters and can be easily used in both horizontal and vertical installations.

Product Details

1.Product Description

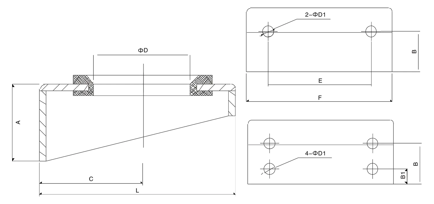
2. Internal Structure and External Dimensions

Model A B C ΦD ΦD1 E F B1 L Compatible Accumulator Model Weight (kg)
NX-TJ/Φ89 45 23 62.5 Φ60 2-Φ9 60 98 / 112 NXQ-0.4L~0.63L 0.8
NX-TJ/Φ114 50 28 75 Φ60 2-Φ9 70 126 / 138 NXQ-1L 1
NX-TJ/Φ152 65 35 96 Φ88 2-Φ13 113 162 / 178 NXQ-1.6L~6.3L 2
NX-TJ/Φ219 100 62 133 Φ125 4-Φ17 160 226 22 252 NXQ-10L~40L 7
NX-TJ/Φ299 100 62 173 Φ140 4-Φ17 200 306 22 332 NXQ-20L~100L 12
NX-TJ/Φ351 120 70 212 Φ170 4-Φ17 280 360 30 412 NXQ-63L~160L 20
NX-TJ/Φ426 120 70 237 Φ220 4-Φ17 300 435 30 462 NXQ-125L~250L 24