Fuzhou Aladdin Ronghai Technology

Accumulator Accessories

Ring Clamp for NXJ-Type Accumulator

This ring clamp, designed for NXJ-type accumulators, is a specialized mounting component used to securely fasten bladder accumulator bodies. It enables the connection of the accumulator to the chassis or a fixed structure, while controlling vibrations, pressure surges, and axial movements that may occur during operation.

 

With its combination of a steel body and a rubber interface, it provides a strong grip without damaging the accumulator surface. It is manufactured to fit NXJ series accumulator dimensions and offers easy installation. It is an ideal fastening solution for safe, organized, and long-lasting use in industrial hydraulic systems.

Product Details

1.Product Description

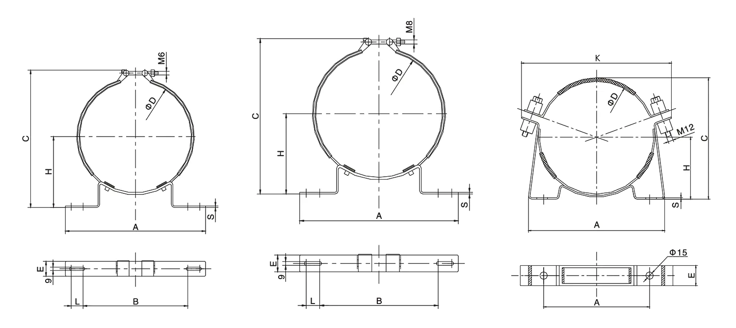
2. Internal Structure and External Dimensions

Model A B C ΦD H E L S K Compatible Accumulator Model Weight (kg)
NXJ-A1 120 85 112 89–92 51–52.5 40 8 - - NXQ △-L0.4~L0.63 0.17
NXJ-A2 156 100 143 106–114 62.5–66 60 18 3 - NXQ △~L1 0.41
NXJ-A3 156 100 191 152–159 87–91 60 18 3 - NXQ △-L1.6~L6.3 0.46
NXJ-A4 236 152 256 216–224 120–124 60 32 4 - NXQ △-L10~L40 0.77
NXJ-A5 332 280 322 299 190 40 015 4 370 NXQ △-L20~L100 2.05
NXJ-A6 422 360 378 351 192 40 015 4 415 NXQ △-L63~L200 4.40